Prima mașină marca Apple ar putea fi echipată cu bare de protecție gonflabile
De Pavel | 21 Aprilie, 2021
Apple a primit brevetul pentru "barele de protecție extensibile pentru vehicule" (Extendable bumpers for vehicles), care a fost solicitat de companie în 2019. Tehnologia vă va permite să fie schimbată lungimea mașinii prin comenzi și cel mai probabil va fi folosită în cazul primului EV a corporației americane.
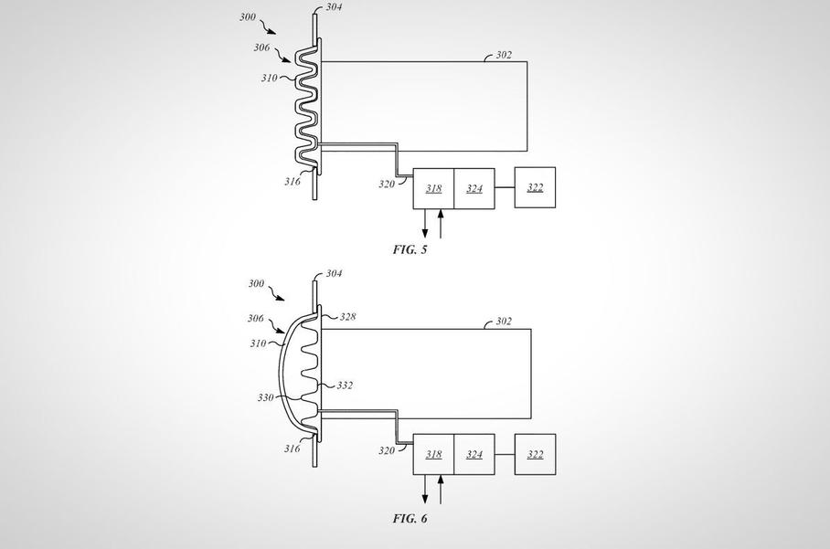
Potrivit schemei, tehnologia funcționează în felul următor: un rezervor umplut cu gaz este plasat în spatele barei de protecție, iar atunci când primește un semnal electronic, începe să umfle bara. Cea din urmă este prinsă de caroserie prin balamale speciale, care asigură o atașare fiabilă atât în starea pliată, cât și în cea desfăcută.

Într-o notă însoțitoare, Apple menționează că ”bara de protecție extensibilă " prezintă o serie de avantaje. Dispozitivul va permite să fie redusă dimensiunea mașinilor, astfel încât acestea să ocupe mai puțin spațiu în parcări, precum și să creeze un design unic al părții frontale, inaccesibil anterior din cauza cerințelor de siguranță.
În plus, inginerii Apple consideră că o "pernă" umplută cu gaz în locul barei de protecție poate îmbunătăți siguranța în timpul impactului. Aceasta va reduce riscul de rănire atât a pasagerilor auto, cât și a pietonilor.